| 房屋基本資料 |
| 案名 | 板橋區漢生東路|透天三層樓|土地20坪、近新板特區、行政中心 | 案號 | 112正162846 114/12/11(四)14:30 |
|---|
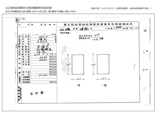
| 地址 | 新北市板橋區漢生東路313巷11號 |
|---|
| 銷售狀態 | 待標中 | 售價 | 售3050萬售2440萬 |
|---|
| 房屋類型 | 法拍大樓 | 總登記坪數 | 20.57 坪 |
|---|
| 格局 | 0房 | 屋齡 | 50年 |
|---|
| 每坪單價 | 118.62萬/坪 | 公設比 | |
|---|
| 車位 | 沒有車位 | 法拍大樓 | 本物件是法拍拍賣房子 拍次 : 第2拍 點交 開標日期 : 2025/12/11(四)14:30 |
|---|
| 建物所在樓層 | 1~3樓/共3樓 | 管理費 | |
|---|
| 管委會 | 沒有 | 中庭 | 沒有 |
| 電梯 | 沒有 | 是否為凶宅 | |
| 300公尺內嫌惡設施 | | 面前道路 | |
| 面寬 | | 縱深 | |
| 邊間 | 不是 | 銷售來源 | 不動產經紀人/專業仲介 |
|---|
| 房屋特色 | 【法院筆錄內容】 1‧本件建物查封時,債務人配偶在場陳稱,房子目前是債務人及家人在居住使用,該建物為加強磚造3層樓(1至3樓皆有增建),4樓為增建,1至4樓以內梯相通、沒車位,拍定後依現況點交。
2‧本件7773建號增建部分係未辦保存登記之違章建築,得標人無法持本院核發之權利移轉證書辦理所有權登記。又上開未登記建物涉及違章建築部分,業經新北市政府違章建築拆除大隊來函認定為垂直增建(屋頂)、水平增建、既存違章建築,並拍照建檔列管在案,投標人應自行至拍賣標的現場查勘並評估風險後始為投標,若於拍定前已經拆除大隊拆除,或拍定後尚未拆除仍應負擔被拆除之危險,本院依法不負物之瑕疵擔保責任,拍定人不得以此事由主張異議或撤拍。
3‧本件拍賣之建物,經依形式外觀及通常調查所得是否為輻射屋、海砂屋、地震受創、嚴重漏水、火災受損、建物內有非自然死亡或其他足以影響交易之特殊情事等相關資訊,均已於附表載明;如有未記載之資訊,仍請投標人自行斟酌查明,且因拍賣物買受人就物之瑕疵無擔保請求權,故拍定後均不得以拍賣公告未記載而聲請減少價金或聲請撤銷拍定。
4‧拍賣之不動產如於查封後經地政機關實施重測,其面積應以重測結果為準,拍定後債權人、債務人、拍定人或其他利害關係人均不得以面積增減請求增減價金或聲請撤銷拍賣。
5‧本院業將查詢所得資訊揭露於拍賣公告上,惟鑑於司法資源有限,且都市計劃之劃定或是否有辦理徵收及協議價購等事,可能伴隨社會經濟情事而迭有異動,應買人於投標前自應向相關主管機關查詢有無使用上或取得上限制之情事,於綜合考量相關風險後再行投標或應買,拍定後均不得以此為由聲請減少價金或聲請撤銷拍定。
6‧投標人應自行查明債務人有無積欠工程受益費、水電瓦斯費、管理費、公共基金等。本件標的原所有權人或使用人如有積欠工程受益費、水電、瓦斯、管理費等相關費用,應由拍定人自行查明後與相關單位洽商解決。又如依不動產登記謄本所示,本件標的如須繳納登記費等費用始得核發書狀等情事,請投標人應自行注意該項記載。
7‧本件如有停止、撤回、撤銷、延緩執行、足額清償等事由,且該事由確實發生於本案拍定前,縱已宣布拍定,本院亦得撤銷拍定,無息返還已繳交之款項,當事人均不得異議,不同意者,請勿參與投標應買。
8‧刊登於新聞紙或網際網路之公告內容如與本院公告欄張貼之公告不符時,一律以本院公告欄張貼之拍賣公告內容為準。
《清償債務》
【保證金】
488萬 【拍賣履歴】
一拍2025/11/13流標底標價格3050萬
二拍2025/12/11底標價格2440萬
三拍底標價格1952萬
四拍底標價格1561.6萬
【焦點法拍履歴】
👩🏻⚖️從業二十年以上經驗|競競業業|正派經營
🎯投標準備⇥法拍流程說明|標單填寫|案件現場勘查有無特殊情事|成本評估分析
💰銀行貸款⇥法拍物件估價|投標人財力評估|銀行代墊款協助辦理|最高八成
🏡拍定得標⇥強制執行書狀、履勘陳報書狀往返|債務人搬遷協商|遺留物造冊查估
🎁委託代標⇥免費|委託代標未得標⇥免費
🏢鑫創資產管理有限公司
顏麗杏0911-965339營業員證號:(101)登字第212862號
連真甄0909-031993營業員證號:(101)登字第192002號
更多物件☞焦點法拍
經紀人李彥槿:109北市經證字第02110號 |
|---|
| 坪數說明 |
| 建物登記總坪數 | 40.05 | 土地登記總坪數 | 20.57 |
|---|
| 主建物坪數 | 40.05 | 停車位坪數 | |
|---|
| 附屬建物坪數 | | 公共設施坪數 | |
|---|
| 增建坪數 | 30.69 | 地下室坪數 | |
|---|
| 周邊環境 |
| 生活機能 | | 鄰近交通 | |
|---|
| 鄰近地標 | 新北市政府、板橋第一運動中心、海山國中、環球購物中心、板橋火車站、高鐵站、大遠百 | 公園綠地 | |
|---|
| 鄰近學區 | | 捷運站 | 板橋 |
|---|
| 房屋聯絡人資訊 |
| 聯絡人姓名 | 小顏 (煩請告知聯絡人,您是在889房屋網看到這則廣告,真摯感恩您的幫忙) |
|---|
| 手機 |  0911-965-339(小顏) | Line加入好友 | |
|---|
| 所屬公司名稱 | 鑫創資產管理有限公司 |
|---|
| 公司電話 | | 公司傳真 | |
|---|
| 公司地址 | 新北市新莊區中環路二段423號一樓 |
|---|
| 網址 | http://www.1314home.tw |
|---|